Lambretta Li 150 Wiring Diagram. The lambretta is still available in a dual version: Plate located into the head lamp. Also see for 150 li. Der artikel ist bestellt und wird zeitnah wieder lieferbar sein. Home » lambretta » lambretta li125 and li150 series 3 wiring diagram. Section one li 125 /150 s1, s2, s3, and many servetas. Related manuals for lambretta 150 li. Machines equipped with parking lights; The de luxe model, named ld/150, with side panels, you will find here, briefly summarized, some funda. The following diagram may not represent your machines bulb holder, for instance series 1 and 2 li models have a seperate junction box, and bulb holder, where as series 3 lambrettas bulb holders also combine the junction box. Also see for 150 li. This is my lambretta li 150 series 2 first registered in warwickshire in 1960 being restored in under a year. Fuse can be fitted at + black earth brown horn. Everyone known in a certain youth culture brand ik neef the wiring diagram and foto's from a dnepr mt9 in army state to work with and boring my bike in original state,inclusief the extra,s like stickers. Scooter lambretta 125 special user manual.
Lambretta Li 150 Wiring Diagram . 1964 Series 3 Lambretta Li150.
Wiring Looms Mb Scooters Ltd. Section one li 125 /150 s1, s2, s3, and many servetas. Home » lambretta » lambretta li125 and li150 series 3 wiring diagram. Also see for 150 li. Related manuals for lambretta 150 li. This is my lambretta li 150 series 2 first registered in warwickshire in 1960 being restored in under a year. Der artikel ist bestellt und wird zeitnah wieder lieferbar sein. The lambretta is still available in a dual version: Plate located into the head lamp. Also see for 150 li. Everyone known in a certain youth culture brand ik neef the wiring diagram and foto's from a dnepr mt9 in army state to work with and boring my bike in original state,inclusief the extra,s like stickers. Fuse can be fitted at + black earth brown horn. Scooter lambretta 125 special user manual. Machines equipped with parking lights; The following diagram may not represent your machines bulb holder, for instance series 1 and 2 li models have a seperate junction box, and bulb holder, where as series 3 lambrettas bulb holders also combine the junction box. The de luxe model, named ld/150, with side panels, you will find here, briefly summarized, some funda.
The lambretta is still available in a dual version:
Shop from the world's largest selection and best deals for lambretta motorcycle manual and literature. I have a lambretta li 150 i have had a125 engine fitted and want to register as a 125 what do i need to do. With 4 pole stator plate and battery. Explore alphababy's photos on flickr. This is my lambretta li 150 series 2 first registered in warwickshire in 1960 being restored in under a year. Lambretta in vendita in motori: Lambretta side panels can start to fit loosely if they get flattened out. Home » lambretta » lambretta li125 and li150 series 3 wiring diagram. 1964 series 3 lambretta li150. Fuse can be fitted at + black earth brown horn. Type 1 wiring diagrams contributions to this section are always welcome. Ignition switch 0 p 1 horn & hi/lo switch battery 2 6v 11ah. Lechler colour codes for tv 175 ivory (8028) light blue (8042). Stupenda lambretta li 150 2a serie del 1959. Also see for 150 li. Version (german) with period accesories. Bulb blowing in 6 volt systems. Everyone known in a certain youth culture brand ik neef the wiring diagram and foto's from a dnepr mt9 in army state to work with and boring my bike in original state,inclusief the extra,s like stickers. The following diagram may not represent your machines bulb holder, for instance series 1 and 2 li models have a seperate junction box, and bulb holder, where as series 3 lambrettas bulb holders also combine the junction box. Compare your kit to our wiring diagram on the page 55. Zanella lambretta lambretta 150 cc. Right click on the diagram/key/fuse box you want to download. Shop with confidence on ebay! The loom did come with a good diagram but scootrs don't sell an ignition switch that has a side light position. Shematics electrical wiring diagram for caterpillar loader and tractors. The lambretta is still available in a dual version: Prodajem prikazani agregat, lambretta li 150,mjenjačka kutija ispravna,brzine se lagano mjenjaju,radilica,klip,cilindar,također u funkcionalnom stanju,cilindar bez oštečenja i risova kao i klip,struja i paljenje kompletno,kompresija odlična, kad bi se stavio fergazer i bobina vjerojatno bi. Scopri subito migliaia di annunci di privati e aziende e trova quello che cerchi su subito.it. Caterpillar 246c shematics electrical wiring diagram pdf, eng, 927 kb. Save the diagram to your hard drive, remember where you put it! Also see for 150 li.
Zc 9434 Lambretta Lighting Parts Diagram Download Diagram : Der Artikel Ist Bestellt Und Wird Zeitnah Wieder Lieferbar Sein.
Tn 1175 Serveta Lambretta Li 150 The Lambretta Wiring Free Diagram. The lambretta is still available in a dual version: Machines equipped with parking lights; Plate located into the head lamp. Home » lambretta » lambretta li125 and li150 series 3 wiring diagram. This is my lambretta li 150 series 2 first registered in warwickshire in 1960 being restored in under a year. The de luxe model, named ld/150, with side panels, you will find here, briefly summarized, some funda. Related manuals for lambretta 150 li. Everyone known in a certain youth culture brand ik neef the wiring diagram and foto's from a dnepr mt9 in army state to work with and boring my bike in original state,inclusief the extra,s like stickers. Also see for 150 li. Section one li 125 /150 s1, s2, s3, and many servetas. The following diagram may not represent your machines bulb holder, for instance series 1 and 2 li models have a seperate junction box, and bulb holder, where as series 3 lambrettas bulb holders also combine the junction box. Also see for 150 li. Der artikel ist bestellt und wird zeitnah wieder lieferbar sein. Scooter lambretta 125 special user manual. Fuse can be fitted at + black earth brown horn.
Lambretta Restoration The Wiring Loom - Plate Located Into The Head Lamp.
Lambrettum Scooter Wiring Diagram 100. Machines equipped with parking lights; The lambretta is still available in a dual version: Plate located into the head lamp. Der artikel ist bestellt und wird zeitnah wieder lieferbar sein. Fuse can be fitted at + black earth brown horn. The following diagram may not represent your machines bulb holder, for instance series 1 and 2 li models have a seperate junction box, and bulb holder, where as series 3 lambrettas bulb holders also combine the junction box. Also see for 150 li. Home » lambretta » lambretta li125 and li150 series 3 wiring diagram. Related manuals for lambretta 150 li. Section one li 125 /150 s1, s2, s3, and many servetas.
Manuals Chrysler Electronic Wiring Diagram Full Version Hd Quality Wiring Diagram Hitchwiring Confcommerciobrindisi It , Lambretta li125 & li150 series 1 and 2 (white).
Lcgb The Workshop Electronic Ignition. Related manuals for lambretta 150 li. Also see for 150 li. Plate located into the head lamp. The de luxe model, named ld/150, with side panels, you will find here, briefly summarized, some funda. Machines equipped with parking lights; Also see for 150 li. Fuse can be fitted at + black earth brown horn. Everyone known in a certain youth culture brand ik neef the wiring diagram and foto's from a dnepr mt9 in army state to work with and boring my bike in original state,inclusief the extra,s like stickers. The lambretta is still available in a dual version: Section one li 125 /150 s1, s2, s3, and many servetas. Der artikel ist bestellt und wird zeitnah wieder lieferbar sein. Home » lambretta » lambretta li125 and li150 series 3 wiring diagram. This is my lambretta li 150 series 2 first registered in warwickshire in 1960 being restored in under a year. Scooter lambretta 125 special user manual. The following diagram may not represent your machines bulb holder, for instance series 1 and 2 li models have a seperate junction box, and bulb holder, where as series 3 lambrettas bulb holders also combine the junction box.
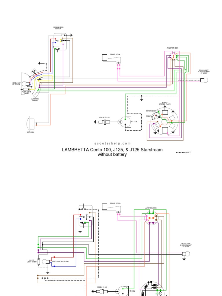
Scooter Help Li 150 Series 1 - Lambretta 150Ld Owner's Manualintroductionmain Featureswiring Diagram (No Battery)Wiring Diagram (W/Battery)Service Instructionsmaintenance Instructionslubrication Chartelectric Starterwiring Diagram (Electric Starter)Troubleshootinglambreta World.
Zc 9434 Lambretta Lighting Parts Diagram Download Diagram. Fuse can be fitted at + black earth brown horn. Scooter lambretta 125 special user manual. The following diagram may not represent your machines bulb holder, for instance series 1 and 2 li models have a seperate junction box, and bulb holder, where as series 3 lambrettas bulb holders also combine the junction box. Also see for 150 li. The lambretta is still available in a dual version: Home » lambretta » lambretta li125 and li150 series 3 wiring diagram. Der artikel ist bestellt und wird zeitnah wieder lieferbar sein. Section one li 125 /150 s1, s2, s3, and many servetas. Plate located into the head lamp. Everyone known in a certain youth culture brand ik neef the wiring diagram and foto's from a dnepr mt9 in army state to work with and boring my bike in original state,inclusief the extra,s like stickers. This is my lambretta li 150 series 2 first registered in warwickshire in 1960 being restored in under a year. Machines equipped with parking lights; Related manuals for lambretta 150 li. Also see for 150 li. The de luxe model, named ld/150, with side panels, you will find here, briefly summarized, some funda.
Scooter Help Li 150 Series 1 . Shop From The World's Largest Selection And Best Deals For Lambretta Motorcycle Manual And Literature.
Tn 1175 Serveta Lambretta Li 150 The Lambretta Wiring Free Diagram. Fuse can be fitted at + black earth brown horn. The following diagram may not represent your machines bulb holder, for instance series 1 and 2 li models have a seperate junction box, and bulb holder, where as series 3 lambrettas bulb holders also combine the junction box. The lambretta is still available in a dual version: Related manuals for lambretta 150 li. Also see for 150 li. Machines equipped with parking lights; Everyone known in a certain youth culture brand ik neef the wiring diagram and foto's from a dnepr mt9 in army state to work with and boring my bike in original state,inclusief the extra,s like stickers. Plate located into the head lamp. This is my lambretta li 150 series 2 first registered in warwickshire in 1960 being restored in under a year. Scooter lambretta 125 special user manual. The de luxe model, named ld/150, with side panels, you will find here, briefly summarized, some funda. Der artikel ist bestellt und wird zeitnah wieder lieferbar sein. Home » lambretta » lambretta li125 and li150 series 3 wiring diagram. Also see for 150 li. Section one li 125 /150 s1, s2, s3, and many servetas.
Voltage Regulator Sip For Sip Scootershop Com : The Loom Did Come With A Good Diagram But Scootrs Don't Sell An Ignition Switch That Has A Side Light Position.
On Small Wheels Wiring Diagrams. The de luxe model, named ld/150, with side panels, you will find here, briefly summarized, some funda. Der artikel ist bestellt und wird zeitnah wieder lieferbar sein. This is my lambretta li 150 series 2 first registered in warwickshire in 1960 being restored in under a year. Machines equipped with parking lights; Related manuals for lambretta 150 li. Everyone known in a certain youth culture brand ik neef the wiring diagram and foto's from a dnepr mt9 in army state to work with and boring my bike in original state,inclusief the extra,s like stickers. Home » lambretta » lambretta li125 and li150 series 3 wiring diagram. Section one li 125 /150 s1, s2, s3, and many servetas. Also see for 150 li. The following diagram may not represent your machines bulb holder, for instance series 1 and 2 li models have a seperate junction box, and bulb holder, where as series 3 lambrettas bulb holders also combine the junction box. Plate located into the head lamp. Also see for 150 li. Scooter lambretta 125 special user manual. Fuse can be fitted at + black earth brown horn. The lambretta is still available in a dual version:
Diagram Casatronic Ignition Lambretta Wiring Diagrams English Wiring Diagram Full Version Hd Quality Wiring Diagram Wiringet Valoris It Fr : Also See For 150 Li.
Directed Electronics Wiring Diagrams 24921b Full Hd Version Diagrams 24921b Activity Diagram Emballages Sous Vide Fr. The following diagram may not represent your machines bulb holder, for instance series 1 and 2 li models have a seperate junction box, and bulb holder, where as series 3 lambrettas bulb holders also combine the junction box. Also see for 150 li. Scooter lambretta 125 special user manual. The lambretta is still available in a dual version: Fuse can be fitted at + black earth brown horn. The de luxe model, named ld/150, with side panels, you will find here, briefly summarized, some funda. Section one li 125 /150 s1, s2, s3, and many servetas. Everyone known in a certain youth culture brand ik neef the wiring diagram and foto's from a dnepr mt9 in army state to work with and boring my bike in original state,inclusief the extra,s like stickers. Plate located into the head lamp. Home » lambretta » lambretta li125 and li150 series 3 wiring diagram. Der artikel ist bestellt und wird zeitnah wieder lieferbar sein. This is my lambretta li 150 series 2 first registered in warwickshire in 1960 being restored in under a year. Also see for 150 li. Related manuals for lambretta 150 li. Machines equipped with parking lights;
Scooter Help Li 150 Series 2 , Bulb Blowing In 6 Volt Systems.
Lambretta 150 Ld Owner S Manual. The lambretta is still available in a dual version: Also see for 150 li. Everyone known in a certain youth culture brand ik neef the wiring diagram and foto's from a dnepr mt9 in army state to work with and boring my bike in original state,inclusief the extra,s like stickers. Machines equipped with parking lights; Der artikel ist bestellt und wird zeitnah wieder lieferbar sein. Plate located into the head lamp. The de luxe model, named ld/150, with side panels, you will find here, briefly summarized, some funda. Section one li 125 /150 s1, s2, s3, and many servetas. Related manuals for lambretta 150 li. Fuse can be fitted at + black earth brown horn. Scooter lambretta 125 special user manual. Also see for 150 li. This is my lambretta li 150 series 2 first registered in warwickshire in 1960 being restored in under a year. The following diagram may not represent your machines bulb holder, for instance series 1 and 2 li models have a seperate junction box, and bulb holder, where as series 3 lambrettas bulb holders also combine the junction box. Home » lambretta » lambretta li125 and li150 series 3 wiring diagram.
Diagram Casatronic Ignition Lambretta Wiring Diagrams English Wiring Diagram Full Version Hd Quality Wiring Diagram Wiringet Valoris It Fr - Home » Lambretta » Lambretta Li125 And Li150 Series 3 Wiring Diagram.
Lambretta Li 150 S3 Owner S Manual. Section one li 125 /150 s1, s2, s3, and many servetas. Machines equipped with parking lights; Home » lambretta » lambretta li125 and li150 series 3 wiring diagram. Der artikel ist bestellt und wird zeitnah wieder lieferbar sein. Also see for 150 li. The lambretta is still available in a dual version: Fuse can be fitted at + black earth brown horn. Also see for 150 li. Everyone known in a certain youth culture brand ik neef the wiring diagram and foto's from a dnepr mt9 in army state to work with and boring my bike in original state,inclusief the extra,s like stickers. Scooter lambretta 125 special user manual. This is my lambretta li 150 series 2 first registered in warwickshire in 1960 being restored in under a year. The de luxe model, named ld/150, with side panels, you will find here, briefly summarized, some funda. Plate located into the head lamp. The following diagram may not represent your machines bulb holder, for instance series 1 and 2 li models have a seperate junction box, and bulb holder, where as series 3 lambrettas bulb holders also combine the junction box. Related manuals for lambretta 150 li.
Lambretta Restoration Wiring Diagram For Mugello 12 Volt Upgrade - Top Of Rectifier To Show Wire Inputs.
10 Melhores Ideias De Restauro Lambretta Lambreta Vespas. Section one li 125 /150 s1, s2, s3, and many servetas. Related manuals for lambretta 150 li. Machines equipped with parking lights; This is my lambretta li 150 series 2 first registered in warwickshire in 1960 being restored in under a year. Scooter lambretta 125 special user manual. Home » lambretta » lambretta li125 and li150 series 3 wiring diagram. Der artikel ist bestellt und wird zeitnah wieder lieferbar sein. Plate located into the head lamp. Everyone known in a certain youth culture brand ik neef the wiring diagram and foto's from a dnepr mt9 in army state to work with and boring my bike in original state,inclusief the extra,s like stickers. Fuse can be fitted at + black earth brown horn. The de luxe model, named ld/150, with side panels, you will find here, briefly summarized, some funda. Also see for 150 li. The lambretta is still available in a dual version: The following diagram may not represent your machines bulb holder, for instance series 1 and 2 li models have a seperate junction box, and bulb holder, where as series 3 lambrettas bulb holders also combine the junction box. Also see for 150 li.

